Autor: Doplnené 14. 09. 2025

Vytvorené: 26. 06. 2018 Tlačiť

x
Značky

 

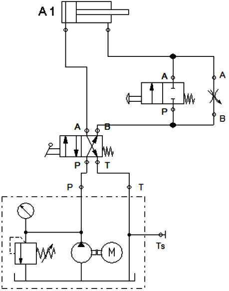
Rozvádzací ventil (rozvádzač), ktorý má 2 prípojky a 2 polohy. 

 

x P x prívodné tlakové vedenie
  T   odpadové beztlakové vedenie do nádrže
  A, B   vedenia s riadeným smerom prietoku, pri vetvení môže byť tiež A1, A2, B1, B2...
  P, T, A, B   prípojky ventilu
  X   vedenia určené na prívod kvapaliny na ovládanie prvku
  Y   vedenia určené na odvod kvapaliny na ovládanie prvku
Princíp
  L   únik oleja (priesak)

 

x
Využitie 2/2-cestného a škrtiaceho ventilu na zmenu rýchlosti piestnice počas (v priebehu) jej vysúvania resp. zasúvania
Hodnotenie užitočnosti článku:


    Ako sa spoznat podla drzania mobilu Umela inteligencia Novy narodopis Teoria poezie 3D-tlac Arduino Nove rekordy Prudove chranice Robotika Priemysel 4.0 a 5.0 Dejiny Slovenska do roku 1945 ang_znacky_fluidsim LOGOSoftComfort Novinky Historia elektromobilov Free e-kurzy Elektrina pre ZŠ Druhá svetová vojna Cvičebnice O troch pilieroch EP je spat Prehlad Fyzika Prehlad Informatika Ako sa učiť a ako učiť Dejiny sveta

     

    · Simulácie z fyziky 
    · O Slovensku po slovensky 
    · Slovenské kroje
    · Kurz národopisu
    · Diela maliarov
    · Kontrolné otázky, Domáce úlohy, E-testy - Priemysel
    · Odborné obrázkové slovníky
    · Poradňa žiadaného učiteľa
    · Rýchlokurz Angličtiny
    . Rozprávky (v mp3)
    · PREHĽADY (PRIBUDLO, ČO JE NOVÉ?)
    Seriály:
    · História sveta (1÷6)
    · História Slovenska (1÷5)
    · História módy (1÷5).

                                       
    Členstvo na portáli
    Mám účet a chcem sa prihlásiť Prihlásiť sa
    Nemám účet, ale chcel by som ho získať Registrovať sa
    Poznámka pre autora

    Ak ste na stránke našli chybu, dajte nám vedieť


    Copyright © 2013-2025 Wesline, s.r.o. Všetky práva vyhradené. Mapa stránky ako tabuľka | Kurzy | Prehľady