Autor: Igor Krucovčin, Milan Kocurišin, Doplnené 12.04.2026

Vytvorené: 17. 01. 2021 Tlačiť

1. Jednoduché postupné (sekvenčné) rozsvecovanie 3 žiaroviek podľa poradia

Schémy zapojení a funkčné blokové schémy boli vytvorené v programe FluidSIM

 

1b. Ovládanie (vypnutie a zapnutie) bzučiaka jedným tlačidlom

Autorom programu je Duc Anh Trinh Van, študent II. MEOI Duálnej akádémie v Bratislave
Porovnanie realizácie ovládania bzučiaka Grafcetom a elektro-komponentami

 

2. Ovládanie vysúvania a zasúvania piestnice valca dvoma tlačidlami

 

3a. Poloautomatické vysúvania a zasúvania piestnice valca

 

3b. Poloautomatické oneskorené vysúvania a zasúvania piestnice valca

 

3c. Poloautomatické oneskorené vysúvania a zasúvania piestnice valca bez použitia koncového snímača

 

3d. Poloautomatické vysúvania a oneskorené zasúvania piestnice valca bez použitia koncového snímača

 

4. Poloautomatické riadenie piestnice valca s oneskorením zasunutia

 

5. Premiestňovanie tesnenia

 

6. Premiestňovanie tesnenia s výstrahou

 

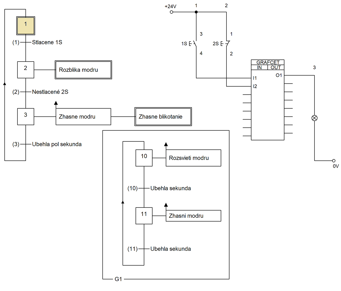
7a. Blikotanie modrej žiarovky ovládané 2 tlačidlami

 

8a. Cyklické preblikávanie 2 červených žiaroviek ovládané 2 tlačidlami

 

9. Ovládanie závory na železničnom priecestí



9b. Železničné priecestie so závorou a svetielkami

 

10. Vŕtacie pracovisko

 

11. Baliaca linka

 

12. Prevodník Poradie/Počet žiaroviek

 

  

13. Postupné rozsvecovanie žiaroviek po stlačení tlačidla 

 

 

14. Hra Hádzanie kockou

 

Schéma zapojenia a funkčná bloková schéma boli vytvorené v programe FluidSIM

15. Triedička balíkov

 

 

 

16. Križovatka

 

 

26. Spomalenie rýchlosti zasúvania

  
 

 

27. Lisovanie osobného auta 

 

 

 

 

25. Parkovisko pred obchodným centrom

 

 

 

 

51. Dvojtlačidlové ovládanie pohybov piesnice valca

 

 

52. Jednotlačidlové ovládanie pohybov piesnice valca 

 

  

53. Blokovanie, resp. Ovládanie otáčania rotora elektromotora troma tlačidlami

 

 

30. Zápalky 

 

 

 

 

 

55. Blokovanie, resp. Ovládanie otáčania rotora elektromotora dvoma tlačidlami

 

 

 

56. Hydraulický výťah

 

 

7a1. Blikotanie modrej žiarovky elektricky korektné

Hodnotenie užitočnosti článku:


    Umela inteligencia Novy narodopis Teoria poezie 3D-tlac Arduino Nove rekordy Prudove chranice Robotika Priemysel 4.0 a 5.0 Dejiny Slovenska do roku 1945 ang_znacky_fluidsim LOGOSoftComfort Novinky Historia elektromobilov Free e-kurzy Elektrina pre ZŠ Druhá svetová vojna Cvičebnice O troch pilieroch EP je spat Prehlad Fyzika Prehlad Informatika Ako sa učiť a ako učiť Dejiny sveta

     

    · Simulácie z fyziky 
    · O Slovensku po slovensky 
    · Slovenské kroje
    · Kurz národopisu
    · Diela maliarov
    · Kontrolné otázky, Domáce úlohy, E-testy - Priemysel
    · Odborné obrázkové slovníky
    · Poradňa žiadaného učiteľa
    · Rýchlokurz Angličtiny
    . Rozprávky (v mp3)
    · PREHĽADY (PRIBUDLO, ČO JE NOVÉ?)
    Seriály:
    · História sveta (1÷6)
    · História Slovenska (1÷5)
    · História módy (1÷5).

                                       
    Členstvo na portáli
    Mám účet a chcem sa prihlásiť Prihlásiť sa
    Nemám účet, ale chcel by som ho získať Registrovať sa
    Poznámka pre autora

    Ak ste na stránke našli chybu, dajte nám vedieť


    Copyright © 2013-2026 Wesline, s.r.o. Všetky práva vyhradené. Mapa stránky ako tabuľka | Kurzy | Prehľady